ページの先頭行へ戻る
Interstage Data Effector V9.3.x リファレンス集
FUJITSU Software

3.3.3 結合関係式

結合関係式は、入力ジャーナルファイルと入力マスタファイルの連結条件を指定します。
左辺には、J略称の情報、右辺にはM略称の情報を指定します。

注意

  • 結合関係式の左辺と右辺は、同じ型になるように指定してください。

  • 文字列型のときだけ、ユーザー定義関数が使用できます。

  • 結合関係式の左辺に指定した項目参照、および、関数の結果が「空」の場合には、右辺に指定した項目参照、および、関数の結果が「空」となっていても、結合関係式は真となりません。

  • 比較演算子の意味は、以下です。詳細は、“3.1.7 比較演算子”を参照してください。

    ==:文字列型の完全一致です。

    = :文字列型の部分一致です。数値型、日付型、時刻型、または日時型の場合は、完全一致の意味です。

図3.34 結合関係式の定義(文字列型)


図3.35 結合関係式の定義(数値型)

図3.36 結合関係式の定義(日付型)

図3.37 結合関係式の定義(時刻型)

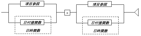
図3.38 結合関係式の定義(日時型)

図3.39 項目参照


注意

結合関係式に指定する仮想項目名には、以下の注意が必要です。

  • 結合関係式の左辺に指定できる仮想項目名は、入力ジャーナルファイルから求められる仮想項目だけです。

  • 結合関係式の右辺に指定できる仮想項目名は、結合式の第2引数に指定したM略称の入力マスタファイルから求められる仮想項目だけです。

  • 入力ジャーナルファイル、入力マスタファイル、および異なる複数の入力マスタファイルの項目から求められる仮想項目名は、連結条件に指定できません。

  • 入力ジャーナルファイルのレコードに対して、結合関係式か真となる入力マスタファイルのレコードが存在しない場合、リターン式に指定された入力マスタファイルの項目は空になります。


文字

下記に示す文字を指定する場合は、エスケープ文字を付加して文字を表現してください。エスケープ文字は“\”です。

表3.13 文字と記述方法

文字

記述方法

半角空白

\s

全角空白

\S

改行

\n

水平タブ

\t

二重引用符

\"

\マーク

\\


K略称

ListDefパラメタで定義したK略称を指定します。

結合関係式の左辺には、入力ジャーナルファイルの項目を表すK略称だけ指定できます。

結合関係式の右辺には、結合式の第2引数に指定したM略称の入力マスタファイルのK略称だけ指定できます。

仮想項目名

仮想項目名は、仮想項目定義で定義される仮想項目の値を返します。


参照

詳細については、以下を参照してください。